首页 公司概况 公司动态 产品销售 人才招募 科研开发 ENGLISH
公司动态
 
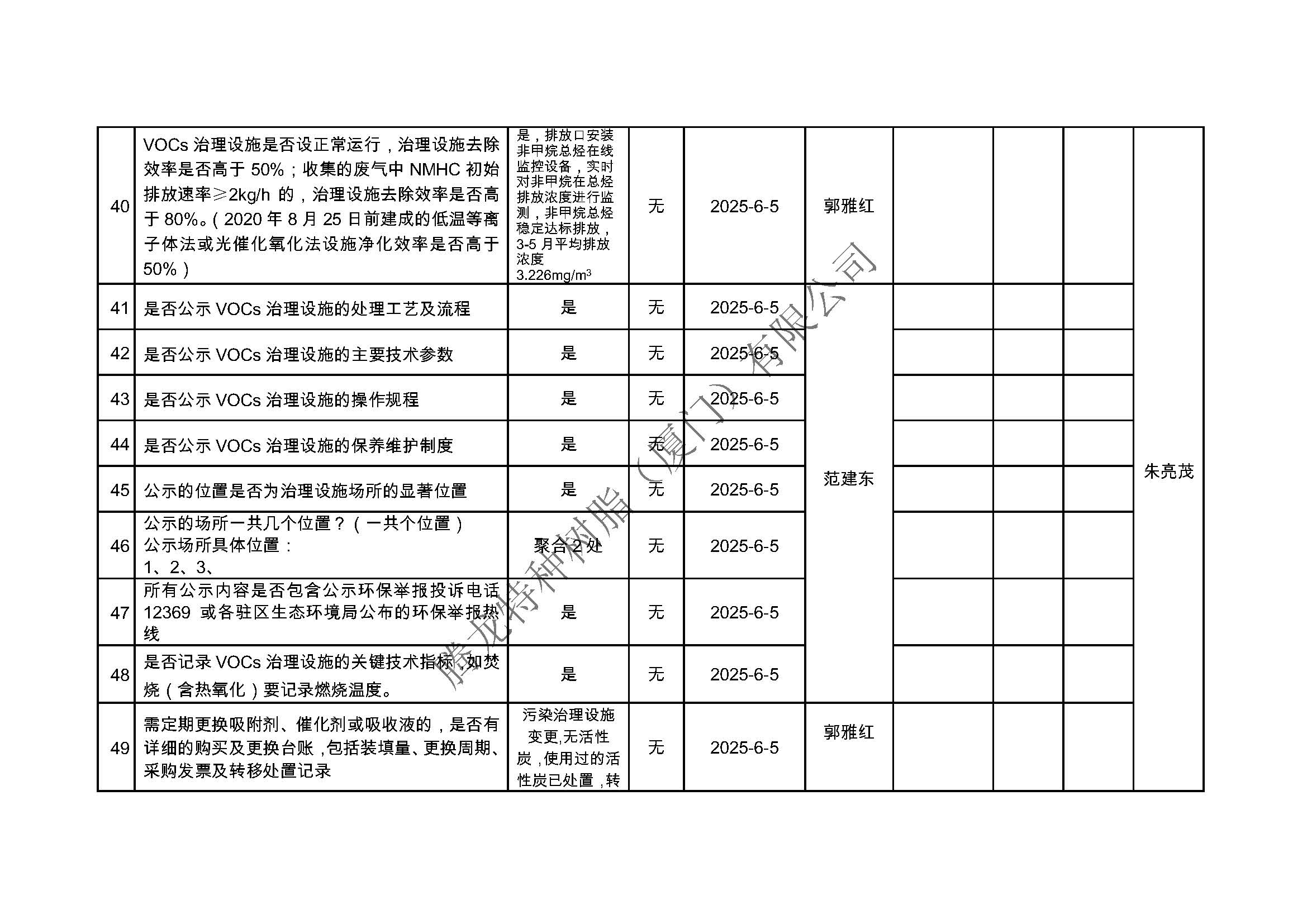
厦门市挥发性有机物污染防治企业自查表(2025年第二季度)

厦门市挥发性有机物污染防治企业自查表(2025年第二季度)_页面_1.jpg   厦门市挥发性有机物污染防治企业自查表(2025年第二季度)_页面_2.jpg

厦门市挥发性有机物污染防治企业自查表(2025年第二季度)_页面_3.jpg   厦门市挥发性有机物污染防治企业自查表(2025年第二季度)_页面_4.jpg

厦门市挥发性有机物污染防治企业自查表(2025年第二季度)_页面_5.jpg   厦门市挥发性有机物污染防治企业自查表(2025年第二季度)_页面_6.jpg

网站地图 | 联系我们 | English | 站内搜索
地址:中国福建厦门市海沧投资区南海一路 Tel:0592-6888666 Fax:0592-6888899
腾龙特种树脂(厦门)有限公司版权所有 © 2004 闽ICP备05006489号 360网站安全检测平台